Карта сайта
Продукция
Статьи
Услуги
Контакты
Главная
Продукция

Вывести список продукции в новом окне >>>

Документы, новости, статьи

Вывести список документов в новом окне >>>

Перечень услуг ООО "МРИЯ БУД ТЕХНИКА"

1. Услуги аренды бетононасоса

2. Автоматизация производственных процессов

по всем вопросам обращайтесь к нашим менеджерам

по тел. +38 (044) 361-77-46

или по почте [email protected]

Адрес

ООО "МРИЯБУД ТЕХНИКА"
ул.Святошинская 34, Киев, Украина, 03115


E-mail: [email protected]

"MRIYA",
Sviatoshynska str. 34, 03115, Kiev, UKRAINE

Tel./Fax: +38 (044) 361-77-46, +38 050 710 30 38

БЕТОНОНАСОС MBP-1206D
Внимание! Наличие на складе. Данный бетононасос отлично зарекомендовал себя на рынке Украины. Есть возможность наглядно ознакомиться с его работой на строительных площадках г.Киева.
Шарошечные долота Throop
Обновлен раздел технической информации. Документация по шарошечным долотам Throop адаптирована для наших русскоязычных партнёров. Предлагаем специалистам для ознакомления.
АРЕНДА БЕТОНОНАСОСА PUTZMEISTER BSA 1005 D
Услуги бетононасоса в Киеве и Украине Стационарный бенононасос, производительность 50 куб. м/час; высота подачи бетона 40 м, расстояние подачи бетона по горизонтали 280 м
Системы аэрации для силосов

Системы аэрации для силосов:

чертеж система аэрации


Инструкция по эксплуатации, техническому обслуживанию и монтажу


.

Системы аэрации для силосов::

Жиклеры аэрации являются основным элементом систем аэрации, поэтому они могут поставляться как в комплекте с системой аэрации, так и отдельным комплектом, состоящим из 12 штук.

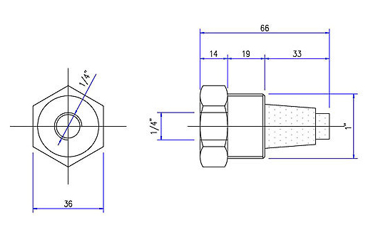
Жиклер аэрации состоит из корпуса с резьбой, который в основании имеет шестигранник на 36 с отверстием для подвода воздуха Ду 1/4" и самого жиклера, который изготовлен из перфорированной меди. Также в комплект поставки входит металлическая втулка с внутренней резьбой, которая вваривается в силос, а затем в нее вкручивается жиклер.




Современная техника рассматривает бункеры хранения сыпучих продуктов как механические транспортеры, в которых материал передвигается под воздействием силы тяжести. Отсюда следует, что системы аэрации можно рассматривать как системы, позволяющие усовершенствовать работу таких транспортеров. В современной технической литературе уделяется много места описанию роли аэрации в процессе выгрузки материалов с пониженной текучестью в режиме полной разгрузки, частичной или импульсной разгрузки. Система аэрации IF полностью отвечает требованиям по аэрации для систем, как с частичной, так и с импульсной разгрузкой.

Примечание: аэрации могут быть подвергнуты любые порошкообразные материалы.

Система аэрации состоит: из редуктора давления, электроклапана, распределительного трубопровода и жиклероваэрации. Распределительный трубопровод крепится к воронке силоса с помощью кронштейнов, которые привариваются к стенкам воронки.

Воздух поступает из магистрали в фильтр-регулятор, который осуществляет регулировку подачи воздуха, а также подготавливает воздух перед подачей в жиклеры. Электромагнитный клапан, установленный после фильтра-регулятора осуществляет открытие/закрытие подачи воздуха. Далее воздух по распределительному трубопроводу подается через гибкие трубки к жиклерам аэрации, установленным на силосе.

Установка жиклеров аэрации производится снаружи. Площадь контакта воздуха с материалом регулируется количеством жиклеров.

Для наибольшей эффективности системы аэрации, рекомендуется аэрировать материал на протяжении всего процесса разгрузки.

Благодаря быстрой и экономической укладке бетона аренда бетононасоса начала набирать популярность среди всех строительных компаний. Такой огромный спрос на аренду бетононасосов появился из-за большого ряда факторов: начнем с того, что аренда бетононасоса способна значительно улучшить оперативность и качество работы, что способствует к повышению эффективности всех строительных работ в общем. Также аренда бетононасоса экономит и Ваши деньги, потому что купить такое оборудование и обучить рабочий персонал не так уж и дешево в наше время. Благодаря нашей компании "Мрия Буд Техника" Вы всегда сможете осуществить аренду бетононасоса, который будет соответствовать целям его строительства, так как в ассортименте есть бетононасосы разных моделей и комплектации. Аренда бетононасосов выполняется в самые кротчайшие сроки, что доказывает слаженную работу компании. Минимальное время на аренду по Киеву – 2 часа. Если Ваш заказ на аренду бетононасоса будет долгосрочным, то мы предоставим Вам приятные скидки. Цена аренды бетононасосов зависит от специфики конкретного объекта. Доставка по Киеву – входит в цену аренды бетононасоса, а по Украине – договорная.

Шнек представляет собой стержень со сплошной винтовой гранью вдоль продольной оси. Шнек является одной из рабочих деталей механизма. Служит шнек для транспортировки насыпных материалов в виде перемещения вдоль вращающейся внутри трубы поверхности. Шнек очень широко распространен на разных видах промышленности: в той же мясорубке, в сверлах для удаления стружки, для подачи или смеси жидких и насыпных компонентов и прочее. Шнеки трубчатые TU и ES всегда имеются в наличии у нашей компании "Мрия Буд Техника" и Вы в любой момент можете их заказать по доступной цене. Еще мы можем предложить Вам цилиндрические шнековые конвейеры – CTS, которые направлены исключительно на транспортировку цемента, но, благодаря различной комплектации этот шнек может транспортировать известь, мел, песок, гипс, уголь и прочие. Так зачем тратить время на хождения по магазинам строительной техники в поисках шнека, когда можно сделать заказ не выходя из дома. Свяжитесь с нами, скажите какой шнек Вам нужен и мы доставим Ваш товар в целости и сохранности в указанное Вам место

ООО "МРИЯБУД ТЕХНИКА", ул.Святошинская 34, Киев, Украина, 03115 [email protected] +38 (044) 361-77-46, +38 050 710 30 38