Карта сайта
Продукция
Статьи
Услуги
Контакты
Главная
Продукция

Вывести список продукции в новом окне >>>

Документы, новости, статьи

Вывести список документов в новом окне >>>

Перечень услуг ООО "МРИЯ БУД ТЕХНИКА"

1. Услуги аренды бетононасоса

2. Автоматизация производственных процессов

по всем вопросам обращайтесь к нашим менеджерам

по тел. +38 (044) 361-77-46

или по почте [email protected]

Адрес

ООО "МРИЯБУД ТЕХНИКА"
ул.Святошинская 34, Киев, Украина, 03115


E-mail: [email protected]

"MRIYA",
Sviatoshynska str. 34, 03115, Kiev, UKRAINE

Tel./Fax: +38 (044) 361-77-46, +38 050 710 30 38

БЕТОНОНАСОС MBP-1206D
Внимание! Наличие на складе. Данный бетононасос отлично зарекомендовал себя на рынке Украины. Есть возможность наглядно ознакомиться с его работой на строительных площадках г.Киева.
Шарошечные долота Throop
Обновлен раздел технической информации. Документация по шарошечным долотам Throop адаптирована для наших русскоязычных партнёров. Предлагаем специалистам для ознакомления.
АРЕНДА БЕТОНОНАСОСА PUTZMEISTER BSA 1005 D
Услуги бетононасоса в Киеве и Украине Стационарный бенононасос, производительность 50 куб. м/час; высота подачи бетона 40 м, расстояние подачи бетона по горизонтали 280 м

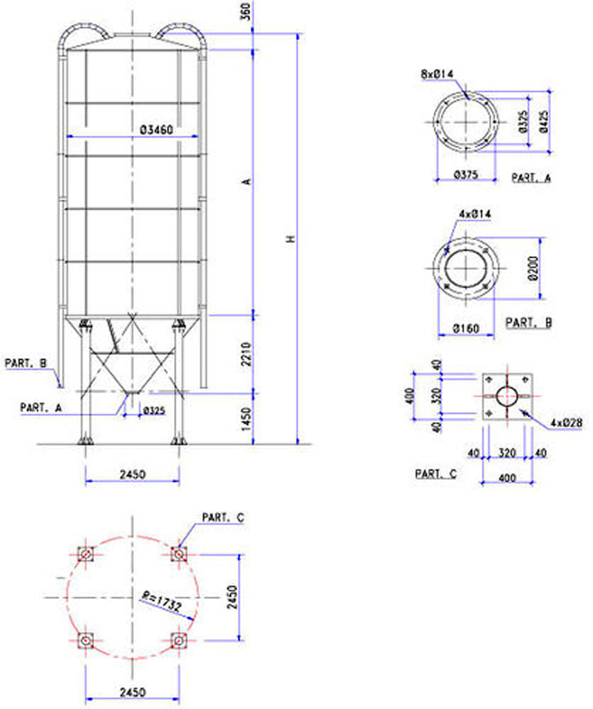
СИЛОСА СЕРИИ SP.

Силос металлический, представляет собой ёмкость цилиндрической формы, имеющую крышу и устанавливаемую на ёмкость с днищем конической формы, опирающуюся на несколько вертикалей основания силоса. Силоса серии SP доступны в диаметрах d-3500, d-5000, d-6150, d-7600, d-9500mm; объемами от 50 до 1000 м3

Облицовочные панели бункеров разборные, что позволяет их легко транспортировать, монтаж на участке сводится до минимума, сцепление между группами водонепроницаемое с помощью специальной подкладки и гальванизированных болтов.

Силос диам. 3500 мм - серия SP


Силос диам. 3500 мм - серия SP
Тип
Объем
А
Н
м3(1)
Тонн(2)
SP 50
50
70
4500
8520
SP 70
70
100
6750
10770
SP 90
90
120
9000
13020
SP 110
110
150
11250
15270

1) Значение для воздуха, содержащегося в пустом силосе.

2) Значение для цемента с плотностью 1,4 т/м3.

Силос диам. 5000 мм - серия SP


Силос диам. 5000 мм - серия SP
Тип
Объем
А
Н
м3(1)
Тонн(2)
SP 140
140
200
6000
10760
SP 170
170
240
7500
12260
SP 200
200
280
9000
13760
SP 226
226
315
10500
15260
SP 250
250
350
12000
16760

1) Значение для воздуха, содержащегося в пустом силосе.

2) Значение для цемента с плотностью 1,4 т/м3.

Силос диам. 6150 мм - серия SP

Силос диам. 6150 мм - серия SP
Тип
Объем
А
Н
м3(1)
Тонн(2)
SP 215
215
300
6000
11600
SP 260
260
360
7500
13100
SP 300
300
420
9000
14600
SP 350
350
490
10500
16100
SP 400
400
560
12000
17600

1) Значение для воздуха, содержащегося в пустом силосе.

2) Значение для цемента с плотностью 1,4 т/м3.


Силос диам. 7600 мм - серия SP

Силос диам. 7600 мм - серия SP
Тип
Объем
А
Н
м3(1)
Тонн(2)
SP 350
350
490
6000
12790
SP 420
420
580
7500
14290
SP 490
490
680
9000
15790
SP 560
560
780
10500
17290
SP 630
630
880
12000
18790

1) Значение для воздуха, содержащегося в пустом силосе.

2) Значение для цемента с плотностью 1,4 т/м3.


Силос диам. 9500 мм - серия SP

Силос диам. 9500 мм - серия SP
Тип
Объем
А
Н
м3(1)
Тонн(2)
SP 600
600
840
6000
14210
SP 710
710
990
7500
15710
SP 815
815
1140
9000
17210
SP 920
920
1280
10500
18710
SP 1000
1000
1400
12000
20210

1) Значение для воздуха, содержащегося в пустом силосе.

2) Значение для цемента с плотностью 1,4 т/м3.


Благодаря быстрой и экономической укладке бетона аренда бетононасоса начала набирать популярность среди всех строительных компаний. Такой огромный спрос на аренду бетононасосов появился из-за большого ряда факторов: начнем с того, что аренда бетононасоса способна значительно улучшить оперативность и качество работы, что способствует к повышению эффективности всех строительных работ в общем. Также аренда бетононасоса экономит и Ваши деньги, потому что купить такое оборудование и обучить рабочий персонал не так уж и дешево в наше время. Благодаря нашей компании "Мрия Буд Техника" Вы всегда сможете осуществить аренду бетононасоса, который будет соответствовать целям его строительства, так как в ассортименте есть бетононасосы разных моделей и комплектации. Аренда бетононасосов выполняется в самые кротчайшие сроки, что доказывает слаженную работу компании. Минимальное время на аренду по Киеву – 2 часа. Если Ваш заказ на аренду бетононасоса будет долгосрочным, то мы предоставим Вам приятные скидки. Цена аренды бетононасосов зависит от специфики конкретного объекта. Доставка по Киеву – входит в цену аренды бетононасоса, а по Украине – договорная.

Шнек представляет собой стержень со сплошной винтовой гранью вдоль продольной оси. Шнек является одной из рабочих деталей механизма. Служит шнек для транспортировки насыпных материалов в виде перемещения вдоль вращающейся внутри трубы поверхности. Шнек очень широко распространен на разных видах промышленности: в той же мясорубке, в сверлах для удаления стружки, для подачи или смеси жидких и насыпных компонентов и прочее. Шнеки трубчатые TU и ES всегда имеются в наличии у нашей компании "Мрия Буд Техника" и Вы в любой момент можете их заказать по доступной цене. Еще мы можем предложить Вам цилиндрические шнековые конвейеры – CTS, которые направлены исключительно на транспортировку цемента, но, благодаря различной комплектации этот шнек может транспортировать известь, мел, песок, гипс, уголь и прочие. Так зачем тратить время на хождения по магазинам строительной техники в поисках шнека, когда можно сделать заказ не выходя из дома. Свяжитесь с нами, скажите какой шнек Вам нужен и мы доставим Ваш товар в целости и сохранности в указанное Вам место

ООО "МРИЯБУД ТЕХНИКА", ул.Святошинская 34, Киев, Украина, 03115 [email protected] +38 (044) 361-77-46, +38 050 710 30 38